Cookie-Einstellungen  
  Diese Website benutzt Cookies, die für den technischen Betrieb der Website erforderlich sind und stets gesetzt werden. Andere Cookies, die den Komfort bei Benutzung dieser Website erhöhen, der Direktwerbung dienen oder die Interaktion mit anderen Websites und sozialen Netzwerken vereinfachen sollen, werden nur mit Ihrer Zustimmung gesetzt. 
 Konfiguration
  Technisch erforderlich 
     Diese Cookies sind für die Grundfunktionen des Shops notwendig. 
  "Alle Cookies ablehnen" Cookie 
  "Alle Cookies annehmen" Cookie 
  Ausgewählter Shop 
  CSRF-Token 
  Cookie-Einstellungen 
  Individuelle Preise 
  Kundenspezifisches Caching 
  PayPal-Zahlungen 
  Session 
  Währungswechsel 
  Komfortfunktionen 
     Diese Cookies werden genutzt um das Einkaufserlebnis noch ansprechender zu gestalten, beispielsweise für die Wiedererkennung des Besuchers. 
  Brutto-/Netto-Preiswechsel 
  Merkzettel 
  Statistik & Tracking 
     Endgeräteerkennung 
  Google Analytics 
  Kauf- und Surfverhalten mit Google Tag Manager 
  Partnerprogramm 
 - Artikel-Nr.: 1014493
- Hersteller Artikel-Nr.: 721700008
- Hersteller: Georg Fischer GmbH
- Gewicht: 0,13 kg
- Material: PVC-U
        
   
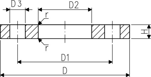
  Produktinformationen "Losflansch, d 32" 
 | d (mm): | 32 | 
| AL: | 4 | 
| SC: | M12 | 
| r (mm): | 2 | 
| D (mm): | 115 | 
| Zoll (inch): | 1 | 
| D1 (mm): | 85 | 
| D2 (mm): | 42 | 
| D3 (mm): | 14 | 
| DN (mm): | 25 | 
| PN (bar): | 10 | 
| H (mm): | 14 | 
 Weiterführende Links zu "Losflansch, d 32" 
   Bewertungen lesen, schreiben und diskutieren... mehr 
  Kundenbewertungen für "Losflansch, d 32" 
  Bewertung schreiben 
  Bewertungen werden nach Überprüfung freigeschaltet. 
  Zuletzt angesehen 
  
 